詳細內容:
一、概述
耐振電接點壓力表是根據使用工況的不同要求,在普通型磁助電接點壓力表的基礎上,研制了具有耐振、耐腐、氨用、耐蝕耐振及帶有隔膜隔離器等功能的多種類型的產品。廣泛應用于石油、化工、電站、冶金等工業部門,在環境較為惡劣和有耐腐要求的場合中測量無爆炸危險的各種流體介質的壓力。儀表經與相應的電氣器件配套使用,可達到對被測壓力系統實現自動控制和發信(報警)的目的。
二、型號命名
三、主要技術指標及功能
類型 | 型號 | 名稱 | 標度范圍 MPa | 精確度等級 | 接頭螺紋 尺寸 |
指示 | 設定值 |
接通 | 斷開 |
抗振型 | YNXC-100 YNXC-100Z YNXC-100ZT YNXC-150 YNXC-150Z YNXC-150ZT | 磁助電接點 壓力表 | 0~0.6至60 及-0.1~0.5至2.4系列 | 1.5 | 1.5 | 5 |
注: 1.隔膜式的軟尾長度為 1、2、3、4M (其中2米為優選長度)
四、接點裝置電氣參數及控制形式
觸頭功率 | 最高工作電壓 | 最大工作電流 | 控制形式 |
30VA(阻性負載) | 220V D.C或380V A.C | 1A | 上下限、雙上限、雙下限 |
注:當電流為1A時,工作電壓應低于40V
五、使用環境條件
類 型 | 工作溫度范圍 | 相對濕度 | 抗工作振動性能 |
| -25~55℃ | 不大于90% |
|
抗振型、耐蝕抗振型 | V.H.4級 |
隔離式其它型 | 150℃以下 | V.H.4級 |
-25~55℃ |
六、結構原理
儀表由測量系統、指示裝置、磁助電接點裝置、外殼、調整裝置和接線盒(插頭座)等組成。
儀表的工作原理是基于測量系統中的彈簧管在被測介質的壓力作用下,迫使彈簧管之末端產生相應的彈性變形——位移,借助拉桿經齒輪傳動機構的傳動并予放大,由固定于齒輪軸上的指示指針(連同觸頭)逐將被測值在度盤上指示出來。與此同時,當其與設定指針上的觸頭(上限或下限)相接觸(動斷或動合)的瞬時,致使控制系統中的電路得以斷開或接通,以達到自動控制和發信報警的目的。
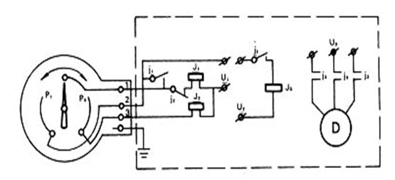
七、電氣線路連接線路圖

八、外形尺寸
 YXC-150、YXCA-150 YXC-153 |
使用與訂貨須知